forked from rusefi/rusefi
-
Notifications
You must be signed in to change notification settings - Fork 0
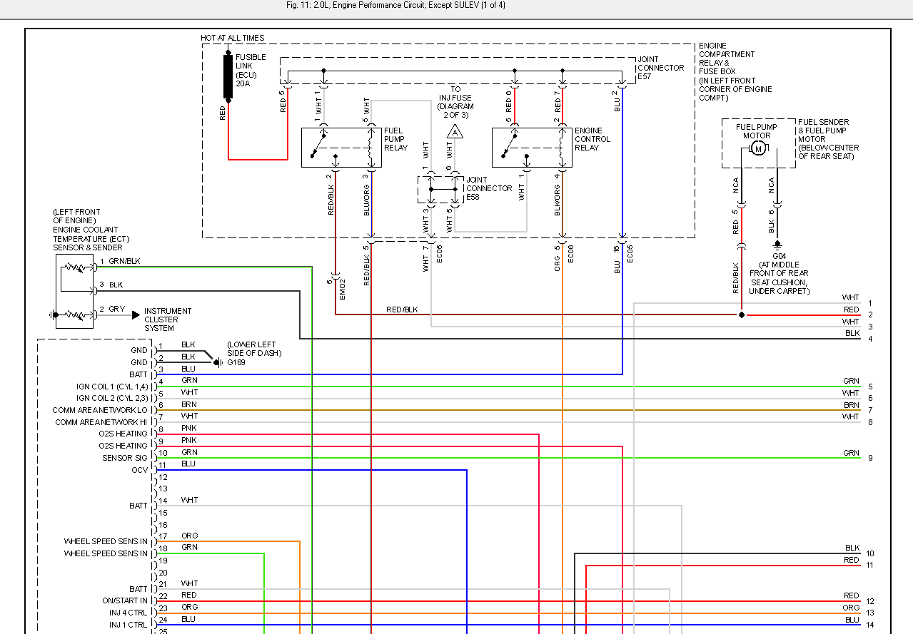
Hyundai Elantra 2004
David Holdeman edited this page Feb 16, 2021
·
4 revisions
- How to search the Wiki
- Quick Start
- How to ask questions
- Support
- How to create a TunerStudio project
- HOWTOs and FAQs
- rusEFI project overview
- rusEFI Online
- rusEFI virtual simulator
- Fueling
- Multispark
- Cranking
- Electronic Throttle
- Knock Sensing
- Variable Valve Timing
- Lua Scripting
- GDI
- Digital Dash
- rusEFI Hardware Overview
- Wiring & Connectivity Overview
- rusEFI Assembly Completeness Chart
- Kit Instructions
- Hellen Miata 90-95
- Hellen Miata 96-97
- Hellen Miata 99-00
- Hellen Miata 01-05 VVT
- MREAdapter55: from Lada to e30
- Frankenso MazdaMiataNA6 PnP
- Creating a PnP PCB




